von Dr. Daniel Müller
Statistik und Sichtungsnachweis dieser Seite findet sich am Artikelende
| [1.] Dml/Fragment 052 09 - Diskussion Zuletzt bearbeitet: 2018-03-16 21:21:17 Schumann | Dml, Fragment, Gesichtet, KomplettPlagiat, Regn 2002, SMWFragment, Schutzlevel sysop |
|
|
| Untersuchte Arbeit: Seite: 52, Zeilen: 9-11 |
Quelle: Regn 2002 Seite(n): 85, 86, Zeilen: 85: 10 ff.; 86: Abbildung |
|---|---|
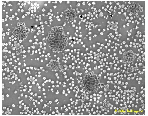
Abbildung 11. Unreife DCs in einer Kulturplatte: Die Zellen aggregieren und bilden sich zu kleineren und größeren Clustern zusammen. Leukozyten wurden aus dem frischen peripheren Blut oder aus „buffy coats“ isoliert und nach der zweistündigen Adhärenzphase in serumfreien Medium, das mit 500U/ml IL-4, 800 U/ml GM-CSF supplementiert war kultiviert. |
Leukozyten wurden aus dem frischen peripheren Blut oder aus „buffy coats“ isoliert und nach der zweistündigen Adhärenzphase in einem komplettem Medium, das mit 1000 U/ml IL-4, 800 U/ml GM-CSF supplementiert war kultiviert.
[Seite 86] Abbildung 1: Unreife DCs in einer Kulturplatte: Die Zellen aggregieren und bilden sich zu kleineren und größeren Clustern zusammen (Pfeile) |
Ein Verweis auf die Quelle fehlt. Man beachte, dass in der in der Quelle wiedergegebenen Version der Abbildung ein Copyright-Vermerk existiert; in der untersuchten Arbeit fehlt dieser. |
|
Letzte Bearbeitung dieser Seite: durch Benutzer:Schumann, Zeitstempel: 20180310183109

